系统课程 效率插件

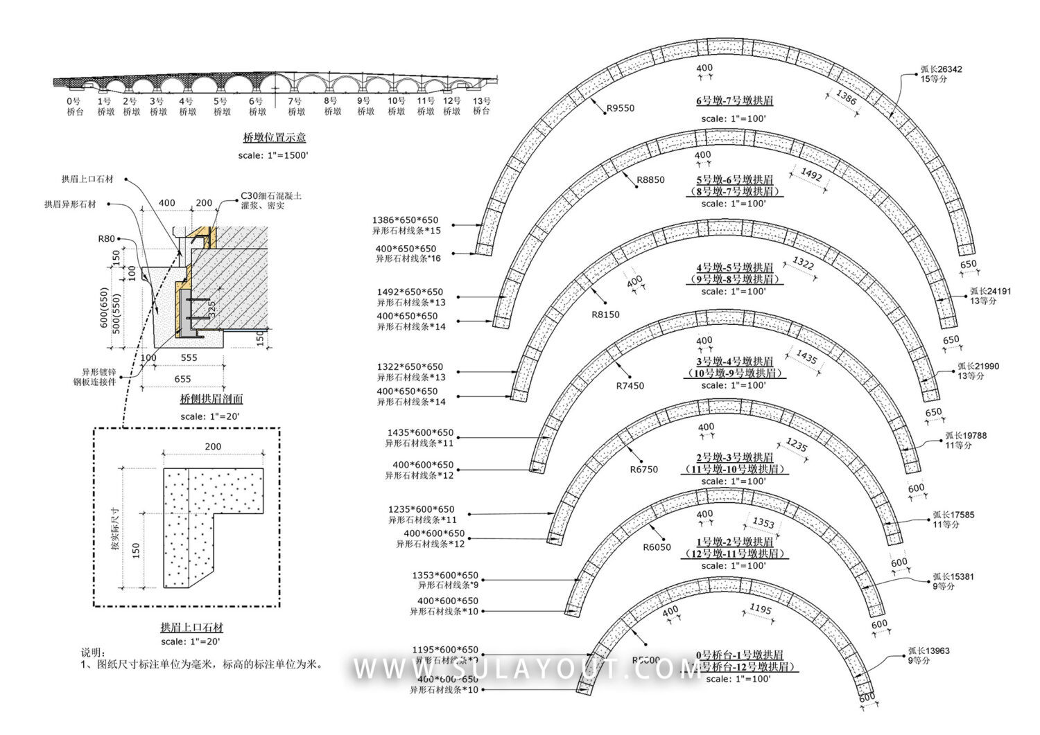
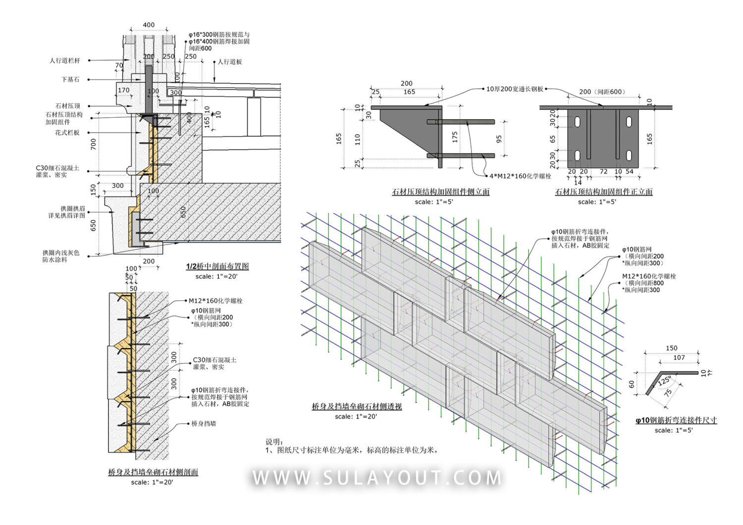
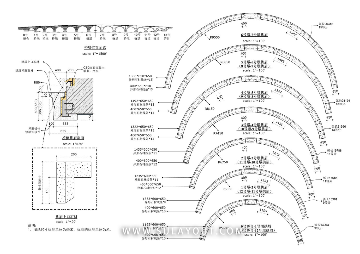
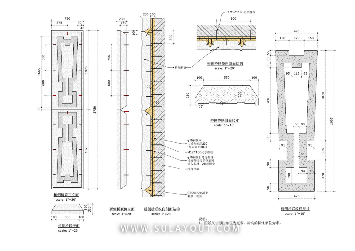
(学员)建筑桥梁装饰图纸

以下LayOut彩色施工图的更多学习资料,有兴趣的同学可以进行了解: LayOut图纸案例 LayOut公开课 […]

详细介绍

(学员)建筑桥梁装饰图纸

以下LayOut彩色施工图的更多学习资料,有兴趣的同学可以进行了解:

用户登录